TechnoCrazed
HOME
Culture
High Tech
Engineering
Gadgets
Robotics
Automobiles
Images u0026amp; Photography
Web u0026amp; Mobiles
Top Ten
Lessons in Electric Circuits-Vol1-Direct Current
Lessons in Electric Circuits-Vol2-Alternating Current (AC)
Lessons in Electric Circuits-Vol. 3-Semiconductors
Lessons in Electric Circuits-Vol. 4-Digital
Introduction to Networking-Book
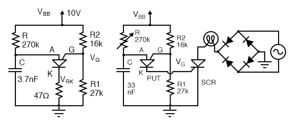
PUT relaxation oscillator with component values. PUT drives SCR lamp dimmer.
Jan 28, 2020
—
by
admin
←
Previous:
7.8 The Unijunction Transistor (UJT)