TechnoCrazed
HOME
Culture
High Tech
Engineering
Gadgets
Robotics
Automobiles
Images u0026amp; Photography
Web u0026amp; Mobiles
Top Ten
Lessons in Electric Circuits-Vol1-Direct Current
Lessons in Electric Circuits-Vol2-Alternating Current (AC)
Lessons in Electric Circuits-Vol. 3-Semiconductors
Lessons in Electric Circuits-Vol. 4-Digital
Introduction to Networking-Book
04061
Jan 29, 2020
—
by
admin
←
Previous:
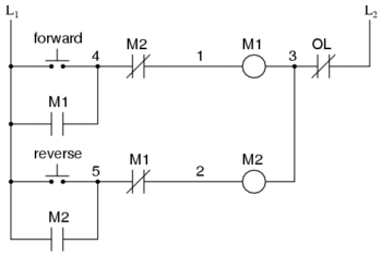
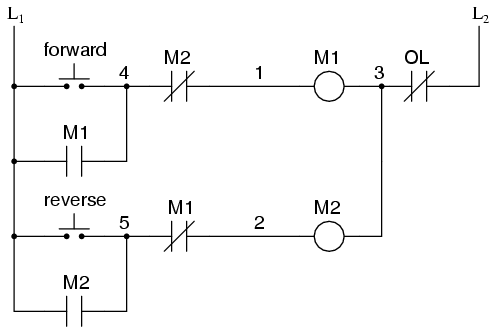
6.4 Motor Control Circuits