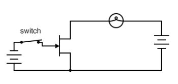
jfet-closed-switch

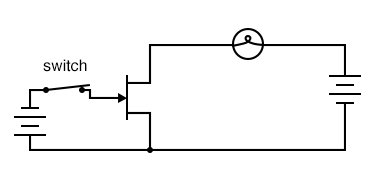
jfet closed switch