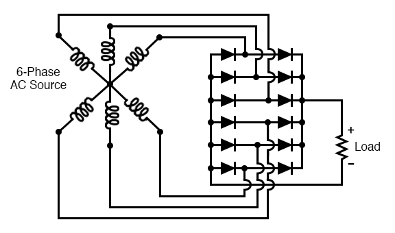
Six-phase full-wave bridge rectifier circuit.

six phase full waive bridge rectifier circuit