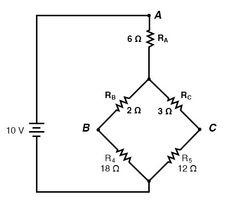
series parallel combination figure

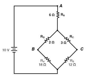
series parallel combination figure1